半透明ピットカバーで配線確認がカンタン
MPP-50 (本体高さ:50mm)
ピットカバー装着時
ピットカバー除去時
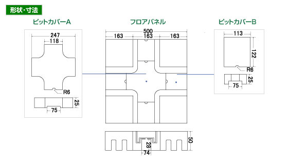
ピットカバー
ピットカバーが半透明なので、外から配線の確認ができ、カバーを取り外すだけで点検が行えます。
溝部のコーナーが丸くなっており、配線分岐時にコード・ケーブルの引っ掛かりがなくスムーズに配線できます。
配線おさえ」がコードやケーブルの突出や盛り上がりを防ぎ、すっきりと収まります。
軽量で取り扱いが容易です。
JAFA規格3000N相当品で高強度です。
ピットカバーの取付け方向を変えることで、Ø12mmの配線口ができ、タップコンセントなどのケーブルの取り出しが容易になります。
本体中央ピットカバーAをアップコンセント用ピットカバーCに交換することで、アップコンセントへの対応が可能です。(丸穴Ø90mm)
※アップコンセント用ピットカバーCは、オプション(別売)です。
フロアパネルは、環境に配慮し再生ポロプロピレンを100%使用しています。また、ピットカバーもポリプロピレン製ですのでリサイクルが容易です。
| 試験項目 | JAFA規格* | 性能 | JAFA規格 による種類 |
||
|---|---|---|---|---|---|
| ■荷重試験 | 許容変形量 | 中央積荷 | 3,000N(約300kgf)で 4.0mm以下 |
4.0mm以下 | 3,000N |
| 辺中央積荷 | 3,000N(約300kgf)で 4.0mm以下 |
4.0mm以下 | |||
| 最大荷重 | 中央積荷 | 6,000N (約600kgf)以上 |
6,000N (約600kgf)以上 |
||
| 辺中央積荷 | 6,000N (約600kgf)以上 |
6,000N (約600kgf)以上 |
|||
| ■衝撃負荷後の 荷重試験 |
衝撃負荷後加撃位置の 最大荷重 |
砂袋 | 6,000N (約600kgf)以上 |
6,000N (約600kgf)以上 |
|
| なす型 | 6,000N (約600kgf)以上 |
6,000N (約600kgf)以上 |
|||
| ■帯電性試験 | 人体耐電圧≤2,000V | 適合 | ≤2,000V | ||
| ■漏えい抵抗試験 | 漏えい抵抗(R)>1×106Ω | 適合 | >1×106Ω | ||
© SEKISUI TECHNO MOLDING CO.,LTD.